Однорядный радиальный шариковый подшипник CSCD120 INA
Цена по запросу
Узнать цену и наличие
Описание товара
Однорядные радиальные шариковые подшипники
Описание бренда
Компания INA - мировой лидер в производстве подшипников и линейных систем. Компания предоставляет инновационные решения для промышленности и автомобильного сектора. Специализируясь на передовых технологиях, INA обеспечивает надежность, эффективность и долговечность оборудования своих клиентов. Они активно развивают "умные" решения и цифровые платформы. С глобальной сетью производственных предприятий и технических центров, INA обеспечивает превосходное обслуживание и поддержку клиентов во всем мире.
Расположение главного офиса
Германия
Расположение производственных мощностей
Германия, США, Китай, Индия и другие страны.
Характеристики
Основные характеристики
- Вес (кг) 1.0020
- Обозначение CSCD120 INA
- Также известен как FPCD1200 KD120CPO L10TA1200
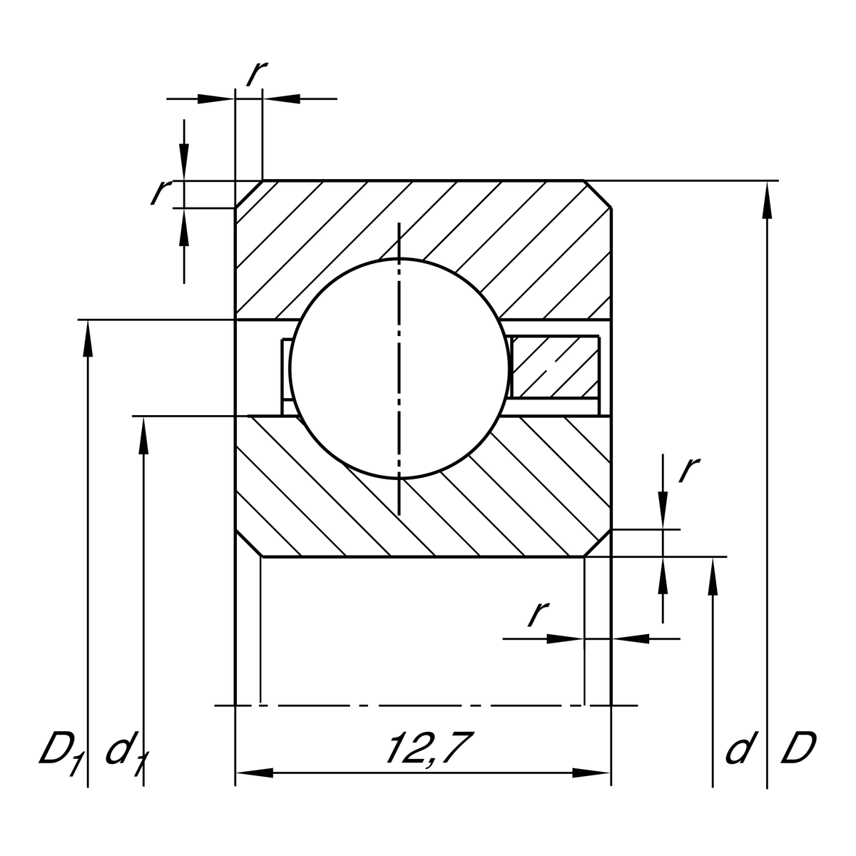
- Внутренний (d) Дюймы 12.0000
- Наружный (D) Дюймы 13.0000
- Ширина (B) Дюймы 0.5000
- Класс точности 79 - ABEC.1 Допуски
- Вид уплотнения Нет уплотнения
- Посадка на вал C - цилиндрическое отверстие
- Тип сепаратора M - Латунный сепаратор
- Радиальный внутренний зазор Cn Нормальный внутренний зазор
- Вид смазки Стандартная смазка
- Термоустойчивость Отсутствие термостабилизации - температура до 120 ° C
- Номер завода производителя CSCD120
- Специальные условия Без специальных условий
- Внешнее изменение конструкции Без внешней модификации
- Вес, кг 1,02
- Диаметр отверстия (d), мм 304,8
- Внешний диаметр (D), мм 330,2
- Ширина (В), мм 12,7
- Номинальная динамическая грузоподъемность, радиальная (Cr), Н 17,1
- Номинальная статическая грузоподъемность, радиальная (C0r), Н 34,5
- Рабочая температура мин. (Тмин), °С -30
- Рабочая температура макс. (Тмакс), °С 120
- Минимальный размер фаски (rmin), мм 1,5
- Предельная скорость (нГ), 1/мин 1,71
- Диаметр буртика наружного кольца (D1), мм 320,8
- Диаметр буртика внутреннего кольца (d1), мм 314,2
- Диаметр отверстия (дюймы) (d), дюймы 12







