Однорядный радиальный шариковый подшипник CSCC100 INA
Цена по запросу
Узнать цену и наличие
Описание товара
Однорядные радиальные шариковые подшипники
Описание бренда
Компания INA - мировой лидер в производстве подшипников и линейных систем. Компания предоставляет инновационные решения для промышленности и автомобильного сектора. Специализируясь на передовых технологиях, INA обеспечивает надежность, эффективность и долговечность оборудования своих клиентов. Они активно развивают "умные" решения и цифровые платформы. С глобальной сетью производственных предприятий и технических центров, INA обеспечивает превосходное обслуживание и поддержку клиентов во всем мире.
Расположение главного офиса
Германия
Расположение производственных мощностей
Германия, США, Китай, Индия и другие страны.
Характеристики
Основные характеристики
- Вес (кг) 0.5150
- Обозначение CSCC100 INA
- Также известен как FPCC1000 KC100CP0 KC100CPO L10SA1000
- Внутренний (d) Дюймы 10
- Наружный (D) Дюймы 10.7500
- Ширина (B) Дюймы 0.3750
- Класс точности 79 - ABEC.1 Допуски
- Вид уплотнения Нет уплотнения
- Посадка на вал C - цилиндрическое отверстие
- Тип сепаратора Y - Прессованный латунный сепаратор
- Радиальный внутренний зазор Cn Нормальный внутренний зазор
- Вид смазки Стандартная смазка
- Термоустойчивость Отсутствие термостабилизации - температура до 120 ° C
- Номер завода производителя CSCC100
- Специальные условия Без специальных условий
- Внешнее изменение конструкции Без внешней модификации
- Вес, г 480
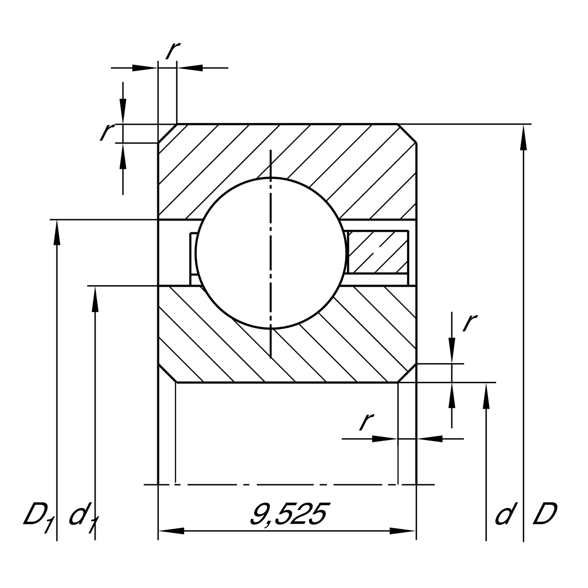
- Диаметр отверстия (d), мм 254
- Внешний диаметр (D), мм 273,05
- Ширина (В), мм 9,525
- Номинальная динамическая грузоподъемность, радиальная (Cr), Н 10,8
- Номинальная статическая грузоподъемность, радиальная (C0r), Н 20,2
- Рабочая температура мин. (Тмин), °С -30
- Рабочая температура макс. (Тмакс), °С 120
- Минимальный размер фаски (rmin), мм 1
- Предельная скорость (нГ), 1/мин 2,1
- Диаметр буртика наружного кольца (D1), мм 266
- Диаметр буртика внутреннего кольца (d1), мм 261
- Диаметр отверстия (дюймы) (d), дюймы 10







