Однорядный радиальный шариковый подшипник CSCB065 INA
Цена по запросу
Узнать цену и наличие
Описание товара
Однорядные радиальные шариковые подшипники
Описание бренда
Компания INA - мировой лидер в производстве подшипников и линейных систем. Компания предоставляет инновационные решения для промышленности и автомобильного сектора. Специализируясь на передовых технологиях, INA обеспечивает надежность, эффективность и долговечность оборудования своих клиентов. Они активно развивают "умные" решения и цифровые платформы. С глобальной сетью производственных предприятий и технических центров, INA обеспечивает превосходное обслуживание и поддержку клиентов во всем мире.
Расположение главного офиса
Германия
Расположение производственных мощностей
Германия, США, Китай, Индия и другие страны.
Характеристики
Основные характеристики
- Вес (кг) 0.2110
- Обозначение CSCB065 INA
- Также известен как FPCB608 KB065CP0 KB065CPO L10RA608YH NBC16507
- Внутренний (d) Дюймы 6.5000
- Наружный (D) Дюймы 7.1250
- Ширина (B) Дюймы 0.3125
- Класс точности 79 - ABEC.1 Допуски
- Вид уплотнения Нет уплотнения
- Посадка на вал C - цилиндрическое отверстие
- Тип сепаратора Y - Прессованный латунный сепаратор
- Радиальный внутренний зазор Cn Нормальный внутренний зазор
- Вид смазки Стандартная смазка
- Термоустойчивость Отсутствие термостабилизации - температура до 120 ° C
- Номер завода производителя CSCB065
- Специальные условия Без специальных условий
- Внешнее изменение конструкции Без внешней модификации
- Вес, г 210
- Диаметр отверстия (d), мм 165,1
- Внешний диаметр (D), мм 180,975
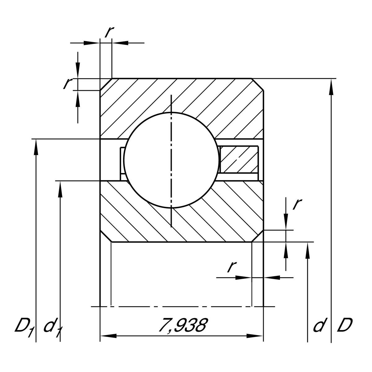
- Ширина (В), мм 7,938
- Номинальная динамическая грузоподъемность, радиальная (Cr), Н 7,2
- Номинальная статическая грузоподъемность, радиальная (C0r), Н 11,1
- Рабочая температура мин. (Тмин), °С -30
- Рабочая температура макс. (Тмакс), °С 120
- Минимальный размер фаски (rmin), мм 1
- Предельная скорость (нГ), 1/мин 3,3
- Диаметр буртика наружного кольца (D1), мм 175,1
- Диаметр буртика внутреннего кольца (d1), мм 171
- Диаметр отверстия (дюймы) (d), дюймы 6,5







